聯系我們
地 址:無錫市濱湖區胡埭鎮鴻翔村環鎮西路
電 話:0510-85590929
傳 真:0510-85590456
網 址:www.drknp.com
郵 箱:sales@wxkeju.com
| 液壓油(鍛造行業)冷卻應用閉式冷水塔 |
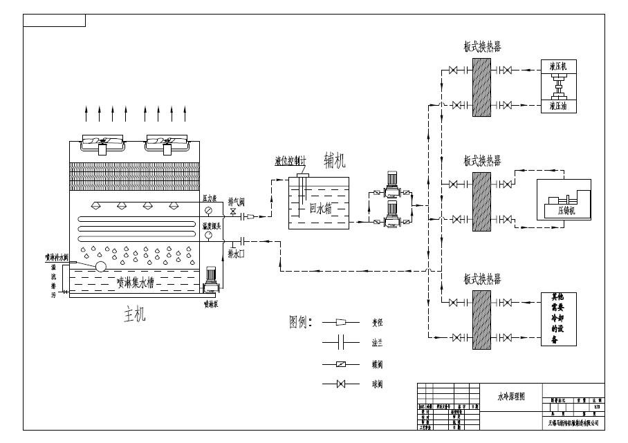
鍛造行業主要是給液壓油冷卻,使用閉式冷卻塔給液壓油冷卻時目前為安全和可靠地一種冷卻方式。由于液壓機在冷卻的時候溫度是比較高的,并且需要的溫度也比較低,因此,需要配合板式換熱器來共同進行制冷工作。液壓油在冷卻的時候需要先經過板式換熱器,經過板式換熱器初步的換熱處理之后再經過冷卻塔的輔機進入到閉式冷卻塔的冷凝器當中,閉式冷卻塔的冷凝器有兩種材質組成,經過閉式冷卻塔冷卻的液壓油在通過水泵加壓回流到液壓機當中。在鍛造行業的冷卻過程當中,并不是只需要冷卻液壓油,還有空壓機冷卻以及其他的需要冷卻設備。
|
| 上一頁:鋼廠及鑄造行業應用原理 下一頁:中(高)頻淬火系統(水冷原理圖) |
![]() |





